- 商品描述
- 商品询价热度
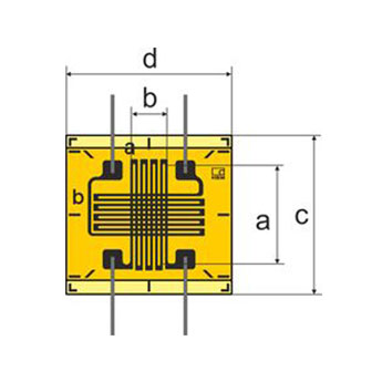
HBM XY2带导线V 型应变片

HBM XY2带导线V 型应变片各型号参数
订购号 | 额定电阻 | 尺寸 [mm/inch] | 激励电压 | 焊接端子 | 型号 | ||||
测量栅丝 | 基底 | ||||||||
[Ω] | a | b1 | b2 | c | d | ||||
1-XY2x-0.6/120# | 120 | 0.6 | 2.2 0.087 | 1.1 0.043 | 7.5 0.295 | 4 0.157 | 2.5 | LS7 | - |
| 钢 (1) | 铝 (3) | 奥氏体钢 (5) | 石英玻璃 / 复合材料 (6) | 钛 (7) | 塑料 (8) | 钼 (9) | |||||||||
1-XY2x-1.5/120 | 120 | 1.5 0.059 | 1.7 0.067 | 2.5 0.098 | 6.8 0.268 | 4.5 0.177 | 4.5 | LS7 | 1 |
| 钢 (1) | 铝 (3) | 奥氏体钢 (5) | 石英玻璃 / 复合材料 (6) | 钛 (7) | 塑料 (8) | 钼 (9) | |||||||||
1-XY2x-3/120 | 120 | 3 0.118 | 3.7 0.146 | 5.3 0.209 | 11.2 0.441 | 9.5 0.374 | 6 | LS5 | 1 |
| 钢 (1) | 铝 (3) | 奥氏体钢 (5) | 石英玻璃 / 复合材料 (6) | 钛 (7) | 塑料 (8) | 钼 (9) | |||||||||
1-XY2x-6/120 | 120 | 6 0.236 | 8 0.315 | 10 0.394 | 17.5 0.689 | 12.7 0.5 | 11 | LS4 | 1 |
| 钢 (1) | 铝 (3) | 奥氏体钢 (5) | 石英玻璃 / 复合材料 (6) | 钛 (7) | 塑料 (8) | 钼 (9) | |||||||||
1-XY2x-1.5/350# | 350 | 1.5 0.059 | 2.2 0.087 | 2.5 0.098 | 7.4 0.291 | 4.5 0.177 | 5 | LS7 | 1 |
| 钢 (1) | 铝 (3) | 奥氏体钢 (5) | 石英玻璃 / 复合材料 (6) | 钛 (7) | 塑料 (8) | 钼 (9) | |||||||||
1-XY2x-3/350 | 350 | 3 0.118 | 4.2 0.165 | 5.3 0.209 | 11.2 0.441 | 9.5 0.374 | 10 | LS4 | 1 |
| 钢 (1) | 铝 (3) | 奥氏体钢 (5) | 石英玻璃 / 复合材料 (6) | 钛 (7) | 塑料 (8) | 钼 (9) | |||||||||
1-XY2x-6/350 | 350 | 6 0.236 | 8 0.315 | 10 0.394 | 17.5 0.689 | 12.7 0.5 | 19 | LS4 | 1 |
| 钢 (1) | 铝 (3) | 奥氏体钢 (5) | 石英玻璃 / 复合材料 (6) | 钛 (7) | 塑料 (8) | 钼 (9) | |||||||||
1-XY2x-3/700 | 700 | 3 0.118 | 4 0.157 | 4.7 0.185 | 11.2 0.441 | 9.5 0.374 | 14 | LS5 | - |
| 钢 (1) | 铝 (3) | 奥氏体钢 (5) | 石英玻璃 / 复合材料 (6) | 钛 (7) | 塑料 (8) | 钼 (9) | |||||||||
1-XY2x-6/700 | 700 | 6 0.236 | 7.8 0.307 | 9.2 0.362 | 17.5 0.689 | 12.7 0.5 | 27 | LS4 | - |
| 钢 (1) | 铝 (3) | 奥氏体钢 (5) | 石英玻璃 / 复合材料 (6) | 钛 (7) | 塑料 (8) | 钼 (9) | |||||||||


线上咨询




